| Part Number | Download | Circuit | Status | Type | Process |
ESDYes/No |
VDSV |
VGSV |
IDA |
VGS(TH)V |
RDS(mΩ)@VGS10V Typ |
RDS(mΩ)@VGS10V Max |
RDS(mΩ)@VGS4.5V Typ |
RDS(mΩ)@VGS4.5V Max |
Package |
|
|
|
|
|
|
|
|
|
|
|
|
|
|
|
||
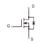
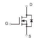
| CJAC6R8SN03AL |
![]() |
![]() |
Active |
Single-N |
SGT |
No |
30 |
±20 |
30 |
1.4~2.2 |
5.4 |
6.8 |
8.8 |
11.5 |
PDFNWB5x6-8L |
| CJAC5R9SN10MS |
![]() |
![]() |
Active |
Single-N |
SGT |
No |
100 |
±20 |
116 |
1.3~2.5 |
4.5 |
5.9 |
6.7 |
8.8 |
PDFNWB5x6-8L |
| CJWT022SN25MK |
![]() |
![]() |
Active |
Single-N |
SGT |
No |
250 |
±20 |
100 |
2.0~4.0 |
17 |
22 |
- |
- |
TO-247-A |
| CJWT011SN20MK |
![]() |
![]() |
Active |
Single-N |
SGT |
No |
200 |
±20 |
135 |
2.0~4.0 |
8.6 |
11 |
- |
- |
TO-247-A |
| CJTL2R0SN10MS |
![]() |
![]() |
Active |
Single-N |
SGT |
No |
100 |
±20 |
250 |
2.2~3.8 |
1.6 |
2 |
- |
- |
TOLL-8L |
| CJTL1R5SN10MS |
![]() |
![]() |
Active |
Single-N |
SGT |
No |
100 |
±20 |
330 |
2.2~3.8 |
1.2 |
1.5 |
- |
- |
TOLL-8L |
| CJP035SN20MK |
![]() |
![]() |
Active |
Single-N |
SGT |
No |
200 |
±20 |
48 |
2.0~4.0 |
28.5 |
35 |
- |
- |
TO-220-3L-CB |
| CJP016SN15MK |
![]() |
![]() |
Active |
Single-N |
SGT |
No |
150 |
±20 |
76 |
2.0~4.0 |
13 |
16 |
- |
- |
TO-220-3L-CB |
| CJB4R9SN10MS |
![]() |
![]() |
Active |
Single-N |
SGT |
No |
100 |
±20 |
135 |
2.2~3.8 |
4.5 |
4.9 |
- |
- |
TO-263-2L-B |
| CJB3R5SN10MS |
![]() |
![]() |
Active |
Single-N |
SGT |
No |
100 |
±20 |
200 |
2.4~3.6 |
2.9 |
3.5 |
- |
- |
TO-263-2L-B |
| CJB2R7SN10MS |
![]() |
![]() |
Active |
Single-N |
SGT |
No |
100 |
±20 |
250 |
2.4~3.6 |
2.4 |
2.7 |
- |
- |
TO-263-2L-B |
| CJAC010SN10MS |
![]() |
![]() |
Active |
Single-N |
SGT |
No |
100 |
±20 |
90 |
1.1~2.3 |
8.8 |
11 |
- |
- |
PDFNWB5x6-8L |
| CJAC5R0SN03A |
![]() |
![]() |
Active |
Single-N |
SGT |
No |
30 |
±20 |
80 |
1.4~2.2 |
3.7 |
5 |
5.7 |
7.8 |
PDFNWB5x6-8L |
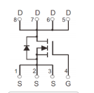
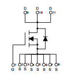
| CJQ075SD10M6 |
![]() |
![]() |
Active |
Dual-N |
SGT |
No |
100 |
±20 |
3.5 |
1.0~3.0 |
48 |
75 |
57 |
90 |
SOP8 |
| CJWT039SN25MK |
![]() |
![]() |
Active |
Single-N |
SGT |
No |
250 |
±20 |
51 |
2.0~4.0 |
32 |
39 |
- |
- |
TO-247-A |
| CJWT021SN20MK |
![]() |
![]() |
Active |
Single-N |
SGT |
No |
200 |
±20 |
85 |
2.0~4.0 |
17 |
21 |
- |
- |
TO-247-A |
| CJP039SN25MK |
![]() |
![]() |
Active |
Single-N |
SGT |
No |
250 |
±20 |
55 |
2.0~4.0 |
33 |
39 |
- |
- |
TO-220-3L-CB |
| CJP021SN20MK |
![]() |
![]() |
Active |
Single-N |
SGT |
No |
200 |
±20 |
70 |
2.0~4.0 |
17 |
21 |
- |
- |
TO-220-3L-CB |
| CJP021SN15MK |
![]() |
![]() |
Active |
Single-N |
SGT |
No |
150 |
±20 |
60 |
2.0~4.0 |
17 |
21 |
- |
- |
TO-220-3L-CB |
| CJWT035SN20MK |
![]() |
![]() |
Active |
Single-N |
SGT |
No |
200 |
±20 |
55 |
2.0~4.0 |
29 |
35 |
- |
- |
TO-247-A |