首页
关于长晶
发展历程
企业介绍
加入长晶
新闻中心
产品中心
安博在线登录官网
三极管
MOSFET
IC产品
IGBT
IPM
第三代半导体
汽车电子
其他
应用领域
质量体系
质量方针
体系证书
环境物质检测报告
安博(中国)
EN
EN
首页
>>
产品中心
>>
MOSFET
>>
SGT MOS
>>
搜索
SGT MOS
Part Number
Download
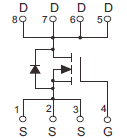
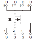
Circuit
Status
Type
Process
ESD
Yes/No
VDS
V
VGS
V
ID
A
VGS(TH)
V
RDS(mΩ)@VGS
10V Typ
RDS(mΩ)@VGS
10V Max
RDS(mΩ)@VGS
4.5V Typ
RDS(mΩ)@VGS
4.5V Max
Package
Reset
Reset All
Active
OK
Reset
Single-N
Single-P
OK
Reset
SGT
OK
Reset
No
Yes
OK
Reset
OK
Reset
+20 /-12
+20/-12
±20
±20V
OK
Reset
OK
Reset
-1.0~-2.5
1.2~2.5
1.3~2.3
1.3~2.5
1.4~2.4
1.4~2.5
1.4~2.4
1.5~2.5
1~2
1~2.5
1~3
1~2.5
2.4~3.8
2~4
2~4
OK
Reset
OK
Reset
OK
Reset
OK
Reset
OK
Reset
DFNWB3x3-8L
PDFNWB3.3x3.3-8L
PDFNWB5x6-8L
PDFNWB5x6-8L-F
SOP8
SOT-89-3L
TO-220-3L-C
TO-220F
TO-251S
TO-252-2L
TO-263-2L
OK
Reset
CJAC1R3SN04C
Active
Single-N
SGT
No
40
±20
190
1~2.5
1
1.25
1.4
2
PDFNWB5x6-8L
CJAC200SN04U
Active
Single-N
SGT
No
40
±20
200
1.3~2.5
0.67
0.9
1.05
1.4
PDFNWB5x6-8L
CJB110SN10
Active
Single-N
SGT
No
100
±20
110
1~2.5
8.5
10
9.5
14
TO-263-2L
CJB130SN10
Active
Single-N
SGT
No
100
±20
130
2~4
4.3
5.5
-
-
TO-263-2L
CJP130SN10
Active
Single-N
SGT
No
100
±20
130
2~4
4.3
5.5
-
-
TO-220-3L-C
CJQ14SN06
Active
Single-N
SGT
No
60
±20
14
1~2.5
9.7
14
12.8
18
SOP8
CJAC13TH06
Active
Single-N
SGT
No
60
±20
130
1~2.5
2.2
3
3
4.5
PDFNWB5x6-8L
CJU50SN10
Active
Single-N
SGT
No
100
±20
50
1~2.5
16.5
22
-
-
TO-252-2L
CJPF130SN10
Active
Single-N
SGT
No
100
±20
130
2~4
5
6
-
-
TO-220F
CJAC90SN12
Active
Single-N
SGT
No
120
±20
90
2~4
5.7
7
-
-
PDFNWB5x6-8L
CJD80SN10S
Active
Single-N
SGT
No
100
±20
80
1~2.5
8.5
9.8
12.5
14
TO-251S
CJP120SN08
Active
Single-N
SGT
No
80
+20 /-12
120
1~2.5
3.2
3.9
4.5
6.2
TO-220-3L-C
CJB120SN08
Active
Single-N
SGT
No
80
+20 /-12
120
1~2.5
3
3.9
4.1
6.2
TO-263-2L
CJU60SN08
Active
Single-N
SGT
No
80
±20
60
2~4
6.3
7.8
-
-
TO-252-2L
CJB120SN10
Active
Single-N
SGT
No
100
±20
120
2~4
5
5.8
-
-
TO-263-2L
CJAC70SN15
Active
Single-N
SGT
No
150
±20V
70
2~4
10
12
-
-
PDFNWB5x6-8L
CJU80SN10
Active
Single-N
SGT
No
100
±20
80
1~2.5
6.2
8.5
8.8
10.5
TO-252-2L
CJAC80SN10
Active
Single-N
SGT
No
100
±20
80
1~2.5
6.2
8.5
8.8
10.5
PDFNWB5x6-8L
CJB85SN08C
Active
Single-N
SGT
No
80
±20
85
2~4
6
8
-
-
TO-263-2L
CJAC110SN10A
Active
Single-N
SGT
No
100
±20
110
1.4~2.4
3.4
4.2
4.5
6
PDFNWB5x6-8L
«
1
2
3
»
导出Excel
星空体育平台官方网站
|
问鼎网页版登录入口
|
开云手机登录入口
|
半岛官网入口网页版
|
乐竞官网平台
|
开元网站登录入口
|
MK体育·(国际)官方网站
|
安博在线登录官网
|
乐动网站网页版
|